DDS VFO 用広帯域アンプキット (Model Num. TG-15040007)
- DDS VFO の出力を +13dBm まで増幅します
- ダイオード DBM を駆動できます
キットの概要
本キットは、DDS-VFO キットの出力を +13dBm に増幅させるオプションの広帯域アンプです。
+10dBm 程度の入力を必要とするダイオード DBM (周波数変換器) を余裕で駆動できます。
仕様:
| 利得 | :+ 8dB (電圧増幅度 2.5 倍 ) |
| 最大出力 | :+ 13dBm (2.8Vpp 50Ω 終端) |
| 周波数特性 | :±2dB (30kHz ~ 8.221MHz) |
| 電源電圧・電流 | :DC 12V±0.5V, typ. 80mA |
技術解説
ダイオードで構成した DBM (ダブルバランストミキサー) は、+10dBm 程度の大きな信号で駆動すると IMD (相互変調歪) などに良い結果が得られます。
本キットは、 DDS-VFO キットから出力される 1.1Vpp の信号を 2.5倍し、50Ω終端で 2.8Vpp (+13dBm) まで増幅しますので、ダイオード DBM を充分に駆動することが出来ます。
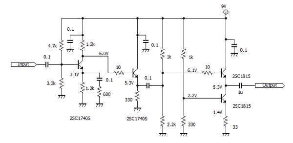
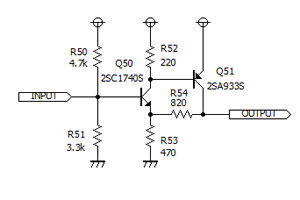
電圧増幅部
DDS-VFO キットの出力周波数範囲内は、30kHz ~ 8.221MHz となっていますので、この周波数範囲において一定の出力が 得られるように広帯域の電圧増幅回路を採用しました。
この回路は、Q50 のコレクタが Q51 のベース・エミッタ間電圧 (Vbe) 0.6V でクランプされる (Q50 のコレクタ電圧が [電源電圧 - 0.6V] の一定電圧となる) ので、ミラー効果の影響が出ず、広帯域の特性が得られます。
Q50 のコレクタが Q51 の Vbe で
クランプされる
広帯域アンプの設計手法は ここをクリック
一般にエミッタ接地増幅回路ではコレクタのミラー効果によって LPF が構成されるため、高域では周波数特性が悪化し、数メガヘルツの周波数で ゲインが下がり始めます。
下図は、信号源インピーダンス (信号発生器側の出力インピーダンス) が 50Ω のときの本キットの周波数特性です。
3dB ゲインが低下する周波数は約 39MHz です。(注;⊿マーカーなので 38.01MHz + START周波数 1MHz = 39MHz)
Broadband AMP source imp. 50 Ω
次に信号源インピーダンスを 610Ω にすると (50Ω + 560Ω) 3dB ゲインが低下する周波数は 31.6MHz となりました。
Broadband AMP source imp. 610 Ω
(トラッキングジェネレータの出力とマッチングをとるために上図のように -10dB のパッドを挿入して測定)
このように信号源インピーダンスが高いほど周波数特性は悪化します。
次に比較のために本キットの回路を少し改造して通常のエミッタ接地増幅回路にした場合の周波数特性を示します。
下図がエミッタ接地増幅に改造した回路図です。ゲインは同じ 2.5倍 となるように設定してあります。

信号源インピーダンスが 50Ω のとき、エミッタ接地増幅ではゲインが 3dB 低下する周波数は約 10MHz となりました。
先の広帯域アンプよりも 約1/4 の周波数となっています。
Emitter-grounded AMP source imp. 50 Ω
信号源インピーダンスが高くなると更に周波数特性は悪くなり、610Ω の場合、約 8MHz となりました。
Emitter-grounded AMP source imp. 610 Ω
バッファ部
広帯域電圧増幅部の動作に影響を与えないように下図のような高入力インピーダンスのエミッタフォロア(コレクタ接地回路)を接続して出力を取出しています。
なお、「コレクタ接地」と呼ばれるのは、コレクタが C52 によって高周波的にはグランドと接続されているのと等価になるためです。
エミッタフォロアの入力インピーダンスは R56 の hfe 倍となります。 たとえばトランジスタの hfe が300、R56 が 330Ω とすれば、エミッタフォロアの入力インピーダンスは 330Ω X 300 = 99kΩ となり、電圧ゲイン1倍の高入力インピーダンスバッファとして使えます。
信号源側から Q52 のベースを見ると hfe の働きで 99 kΩ に見える
なお、R55 はエミッタフォロアの異常発振防止用です。
エミッタフォロアは接続される負荷の条件によっては異常発振することがあります。
トランジスタの ft (トランジション周波数) にもよりますが、この異常発振は UHF 帯で発振することもあり、オシロスコープで観測していても判らない
(見えない) 場合があります。
この R55 を挿入することにより R55 とQ52 のベース入力容量によって LPF が構成されるので異常発振を防止することができます。
ただし、LPF となることからエミッタフォロアの周波数特性が悪化しますので、R55 は必要以上に大きくしないようにします。(通常、R55は10Ω~100Ω程度とします)
パワーアンプ部
バッファ部のエミッタフォロアで取出した信号を 50Ω の負荷端を駆動できるように電力増幅します。(電圧ゲインは1倍)
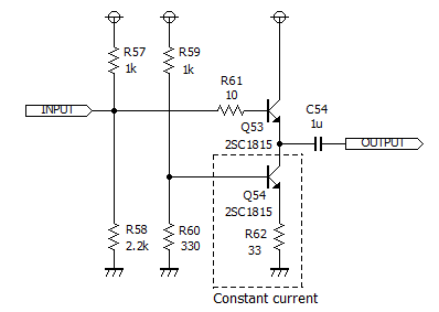
回路は基本的にバッファ部と同じ Q53 によるエミッタフォロアですが、エミッタには抵抗ではなく、Q54 による定電流源としています。
先の「バッファ部」で説明したようなエミッタに抵抗を挿入したエミッタフォロア回路は、出力の向きが吐出し(Source) の場合はエミッタから電流が取り出されるので低インピーダンスで負荷を駆動できますが、出力の向きが吸込み(Sink)の場合、エミッタがカットオフしてトランジスタは動作を停止し、代わりにエミッタに接続した抵抗が電流を吸込むかたちになりますので、吸込み時のインピーダンスはエミッタに接続した抵抗そのものです。

従って、 50Ω など比較的低インピーダンスの負荷を駆動すると正弦波の正側の半サイクルはきれいに出力できますが、負側の半サイクルは歪んだ波形となってしまいます。
そこで本キットでは、Q54 の定電流回路を Q53 のエミッタに接続しています。
この定電流回路の働きにより、電流吸込み時でも Q53 のエミッタには常に一定の電流が流れるようになるのでトランジスタはカットオフせず、負側の半サイクルもきれいに 駆動することができるようになります。
実際の駆動波形
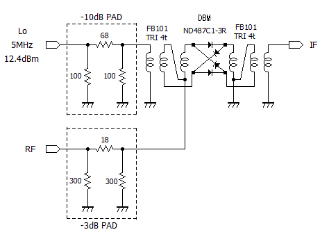
本キットの出力でダイオード DBM を駆動したときの波形を示します。
下図の回路の Lo 端子に本キットの出力 (5MHz) を接続します。
ダイオードは、NEC 製のクワッドショットキーバリアで1チップ内に特性のそろったダイオードが4つ内蔵されているものです。
Lo 端子の駆動波形(5MHz 2.64Vpp)
少し歪が見られますが、ダイオード DBM を 2.64Vpp ( +12.4 dBm ) で駆動しています。
ダイオード DBM はインピーダンスが低く、それ自体は 10 Ω 程度のインピーダンスしか持たないうえ、ダイオードの非直線性があるので歪が発生します。
従って、ダイオード DBM を駆動するためには、上図のように -10dBm 程度のパッドを介して駆動すると良い結果が出ます。