10分周プリスケーラキット (Model Num. TG-15110003)
- 汎用ロジック IC 使用
- 入力範囲:10MHz ~ 100MHz
- 高感度 (入力 120mVpp 以上で動作)
- Duty 50% の分周波形出力
キットの概要
周波数カウンターの測定上限を超える周波数の信号を計測するには、プリスケーラ回路を使用して低い周波数に分周して測定します。
得られた測定値にプリスケーラの分周数を乗算すれば、測定信号の周波数を求めることが出来ます。
プリスケーラの分周数は10や100などキリのいい数字であれば乗算も簡単で暗算できるのですが、 一般的に入手可能なプリスケーラ IC は2のべき乗
(64や128など)の物が多く、 また10メガヘルツなど比較的低い周波数から動作するものは少ないようです。
そこで TGS Lab では、特殊なプリスケーラ専用 IC は使用せず、汎用のロジック ICを用いて 10メガヘルツから動作する分周数10のプリスケーラキットを開発しました。
TGS Lab の LED 表示 高精度周波数カウンタキットおよび 液晶表示 高精度周波数カウンタキットの 測定周波数の上限は30メガヘルツまでですが、この10分周プリスケーラを使用すれば、100メガヘルツまでの測定が可能となります。
仕様:
| 分周比 | :1 / 10 |
| 出力レベル | :C-MOS 5V |
| 出力デューティー比 | :50% |
| 出力インピーダンス | :50 Ω |
| 周波数入力範囲 | :10MHz ~ 100MHz (サイン波) |
| 入力レベル | :サイン波 200mVrms 以上 |
| 電源電圧・電流 | :DC12V±0.5V 70mA max |
技術解説
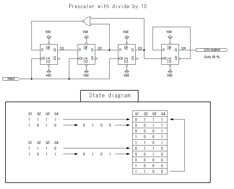
回路は、Dフリップフロップ4個とNORゲートで構成される分周部と、入力信号をDフリップフロップが動作できるレベルまで増幅するプリアンプ部からなります。
DフリップフロップおよびNORゲートには74ACシリーズの標準ロジックである 74AC74 と 74AC02 をそれぞれ使用しています。
74AC シリーズは 74HC シリーズの高速版で、より高い周波数まで動作可能です。
74AC02 / 74AC74
本キットの回路は 74HC4518 などのBCDカウンタを用いた10分周器とは違い、Dフリップフロップを使用してデューティー50% の本当の分周動作をするものです。
Dフリップフロップによる10分周動作部の回路を下記に示します。
Dフリップフロップは、CKの立上りエッジでデータDをラッチします。
input に充分増幅して矩形波に近くなった信号を入力すると信号の立上りエッジ毎にQ1、Q2、Q3、Q4 の状態が順に変化し、状態が10種類の STATE をグルグル回ることにより10分周動作となります。
一番最初 (電源ON直後)、この10種類のSTATEに含まれない状態からDフリップフロップがスタートしたとしても、最終的には必ずこの10種類の STATE の中に収斂(しゅうれん)して10分周動作となります。
例えば、電源ON直後、Q1、Q2、Q3、Q4 の状態がそれぞれ 1010 だったとすると次の遷移で 0100 となり、次に 0011 に遷移して、あとは10種類の STATE を順番にグルグル回り始めます。
従ってDフリップフロップは、どの状態からスタートしても良いので電源ON時のリセット動作は不要です。
プリアンプ部は 2SK241 で増幅後、2SC1923 によるエミッタフォロアで低インピーダンス出力として 74AC74 を駆動します。
2SC1923 には Ic を 約 7 mA 流していますが、 このときの fT は実測で約 600MHz あり、2SC1815 などよりも高周波動作に適しています。
fT の測定についてはこちらの HP を参照下さい
なお、トランジスタをエミッタフォロアで使用すると特に負荷が容量性の場合、異常発振しやすくなります。
そこで異常発振の防止としてベースに 10Ω の抵抗 (R02) を挿入してあります。
R02 とトランジスタのベース入力容量とでローパスフィルターが形成され、異常発振を防ぐことが出来ます。
この10分周プリスケーラーを TGS Lab の LED 表示 高精度周波数カウンタキットに接続した場合の入力感度を示します。

概ね 120mVrms (-5.4dBm) 以上の入力レベルがあれば分周が可能です。
下図は、100メガヘルツを入力したときの分周波形です。(OUTPUT は 50Ω 終端)
Duty 50% で10MHz に分周されていることが判ります。
最後に本キットの12ボルト電源消費電流を示します。
消費電流は、入力周波数が高くなると増加し、100メガヘルツでは約 60mA の電流を消費します。
TGS Lab の LED 表示 高精度周波数カウンタキットと共に使用する場合、12ボルト電源には 200mA 以上流せるものを推奨します。