コンデンサによるインピーダンス変換 (ノートンの容量変換)

ノートンの容量変換は、下図のように回路中の C を C1 と C2 に分割することによりインピーダンスを変換するものです。
norton_theorem
ここでもう少し詳しくみていきます。
トランスによるインピーダンス変換回路は、等価的にコンデンサによる回路網に変換できます。
ノートンの容量変換で C は、 C1 と C2 の合成容量に変換され、さらに C3 という成分も生成されます。
norton_theorem

なお、トランスの巻き数比 N が 1:n の場合、インピーダンスの変換比 X は巻き数比の二乗 1:n^2 です。

インピーダンス変換比 X = 1 / n^2 をノートン変換により容量であらわすと

X = 1 / (C2 /C1 + 1)^2

例えば、C1 = 100pF, C2 = 200pF であれば、インピーダンスの変換比は 1 : 9 となります。

また、C はノートン変換により C1, C2 がシリーズに接続された形へ変換され、C1, C2 がシリーズに接続されているときの合成容量が元の C と等しくなります。

C = C1 * C2 / (C1 + C2)


ここで巻き数比 N = 1 / n とすると各コンデンサの値 C1, C2, C3 は

C1 = C / (1-N)

C2 = C / N

C3 = C / (N * (N - 1))

で表わされます。

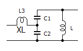
ここで N < 1 の場合 ( Zin < Zout のとき)、C3 は、負の容量となりますが、これはインダクタンスと考えることができます。
つまり、C3 の負のリアクタンス -Xc は、正のリアクタンス XL を持つコイル L3 と等価となります。
norton_theorem
この余分な L3 の成分は、比較的小さい値となるため、回路諸元の微調整で吸収したり、L3 側にフィルターを挿入してフィルターのコイルの一部として取り込んでしまうことで L3 の影響を避けることができます。

例えば、通常、C1, C2 によるリアクタンスをキャンセルするために C1, C2 とパラにコイル L を接続して並列共振回路として使用しますが、この L を微調整すれば、 L3 の影響をキャンセルすることができます。

norton_theorem パラに L を接続して並列共振回路として使用する
TG-40 の場合は、L3 側に 7MHz の直列共振回路が接続されるため、この直列共振回路のコイルの一部として L3 を取り込んでいます。
norton_theorem TG-40 の回路
このようにノートンの容量変換を用いれば、高価な RF トランスを使用する必要が無く、また回路の省スペース化が実現できます。